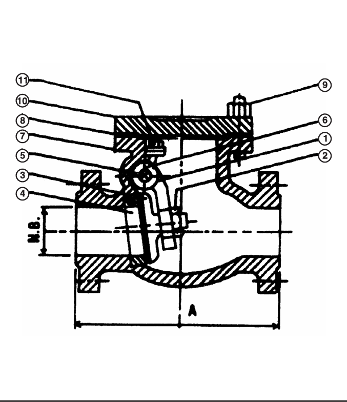
Swing Check Valves
Swing check valves are unidirectional valves designed to stop reverse flow in pipelines, ensuring that fluid moves only in the intended direction. They are widely used in systems where backflow could damage equipment, contaminate fluid lines, or cause safety hazards. The valve operates using a swinging disc attached to a hinge or shaft. When the fluid flows forward, the disc swings away from the seat, allowing an unobstructed path. When the flow stops or reverses, the disc returns to the seat, creating a seal that blocks reverse movement.
Because of their automatic operation, swing check valves do not require an operator or actuator. This makes them highly reliable in continuous and remote applications such as water distribution, process piping, and pump discharge lines. Their simple, rugged design ensures a long service life with minimal maintenance, making them one of the most widely used types of check valves.
Exceed manufactures swing check valves with a focus on precision sealing, durability, and low pressure loss. By combining robust body construction with carefully engineered disc-seat geometry, Exceed valves deliver reliable protection against backflow across a wide range of applications.
Technical Details:
Manufacturing Std.: BS 1873
Testing & Inspection Std.: API 598
Face to Face: As per ASME B16.10
End Connections: Flanged as per ASME B16.5 RF
Engineering Options:
- Special materials available on request
- Remote operation on request
